2024. 1. 8. 19:20ㆍPROJECT/Story

도시의 끝자락에 위치한 대지의 특성상, 도시와 자연환경의 경계선에서 발생하는 장단은 분명합니다.
(바로 앞, 도로에 마을버스 정류장이 있습니다.) 대중교통은 조금 불편합니다. 가게를 비롯한 근린생활시설이 멀리 있습니다. 대신, 도심지가 한눈에 내려다 보이는 풍경이 있습니다. 바로 마주한 공원 덕분에 외부자연환경을 밀착 될 수 있습니다. 어쩌면 도심 속 한적한 전원(?) 생활을 기대해 볼 수도 있습니다.

대지는 북측 15미터 도로 부터 3미터 아래에 위치합니다. 서측 4미터도로와 북측 15미터 도로는 계단으로 연결됩니다. 대지와 도로의 관계로 볼때 가장 불리하게 생각하면 건축행위가 어려운 대지일 수도 있습니다.
북측 도로와 대지의 지적경계가 석축으로 부터 이격되어 있을 경우, 북측도로 연결은 힘들 수 있습니다. 대지의 서측도로 또한 계단을 제외한 접도면이 협소하기 때문에 확인 필요한 상황입니다. 여기에 막다른 도로 규정에 따라 도로 폭이 확폭되면 대지면적이 축소되는 상황이 될 수도 있습니다.

더욱이, 대지가 작고, 건축물의 규모가 작은 경우에는 작은 차이로 프로젝트의 방향을 흔들 수 있기에, 사전에 검토를 신중히 진행합니다.
현장조사와 함께 지적공사를 통한 경계복원측량, 현장의 전체 상황을 파악할 수 있도록 현황측량을 함께 진행합니다. (작고 어려운 대지를 많이 접하다 보니, 처음부터 지적과 현황측량을 거의 모든 프로젝트에 진행하고 있습니다.)
그리고 대지의 법규해석이 필요한 부분을 검토해서, 해당 허가권자 및 관련 분야 담당자와 사전협의를 합니다.








파트1: 프로그램 구성
16개의 퍼즐을 맞추는 작업을 시작합니다.
모듈의 최소단위는 룸(RM)을 기준합니다. 주요프로그램은 1룸으로, 보조 프로그램은 0.5룸으로 설정합니다.
모듈=1RM
주차와 출입을 위한 외부공간을 제외하고, 1층은 2개의 모듈을 사용합니다.
기본 프로그램을 하나로 사용하며, 나머지 하나는 출입구, 계단, 화장실을 하나로 엮는 코어존으로 사용합니다.
다른 용도를 위한 두개의 모듈을 제외하고, 2층 또한 2개의 모듈을 사용합니다. 1층과 동일한 설정입니다.
3층은 4개의 모듈 사용이 가능합니다. 코어모듈을 제외하고 3개의 모듈; 프로그램 적용이 가능합니다.
4층은 데크와 코어모듈을 제외하고 2개의 모듈을 사용합니다.
4인가족
4인 가족을 위한 기본 프로그램은 침실 3개, 거실, 주방과 식당 그리고 욕실 2개 입니다. 여기에 건축주의 요구사항인 근린생활시설을 2층에 구상 중이며, 데크를 최상층(4층)에 배치할 생각입니다.
공용공간과 사적공간
공용공간은 최상층(4층) 배치대안과 3층 배치대안, 2가지로 시작합니다. 동선이 길어지는 불림함 대신, 외부데크 사용과 전망을 갖게 되는 4층 배치대안(건축주 요청사항)과 기능적인 측면에서 동선을 효과적으로 사용할 수 있는 3층 배치대안으로 나뉩니다. 여기에 3개의 침실(부부침실, 자녀1,자녀2)의 구성이 함께 고려됩니다.
프로그램 계획 대안은 5가지에서 시작합니다.






















유난히 무더운 올 여름의 한가운데를 가로지르며, 태평동 공사현장은 진행되고 있습니다.
걱정했던 장마는 마른장마로 끝난 덕분에(?) 시공일정은 확보되었지만, 그보다 더 큰 더위가 큰 변수가 작용하고 있습니다. 그럼에도 불구하고 현장에서 흘리는 굵은 땀방울 덕분에 차질없이 일정대로 진행되고 있습니다.
현재는 골조공사를 마치고, 다음 공정으로 순항중 입니다.
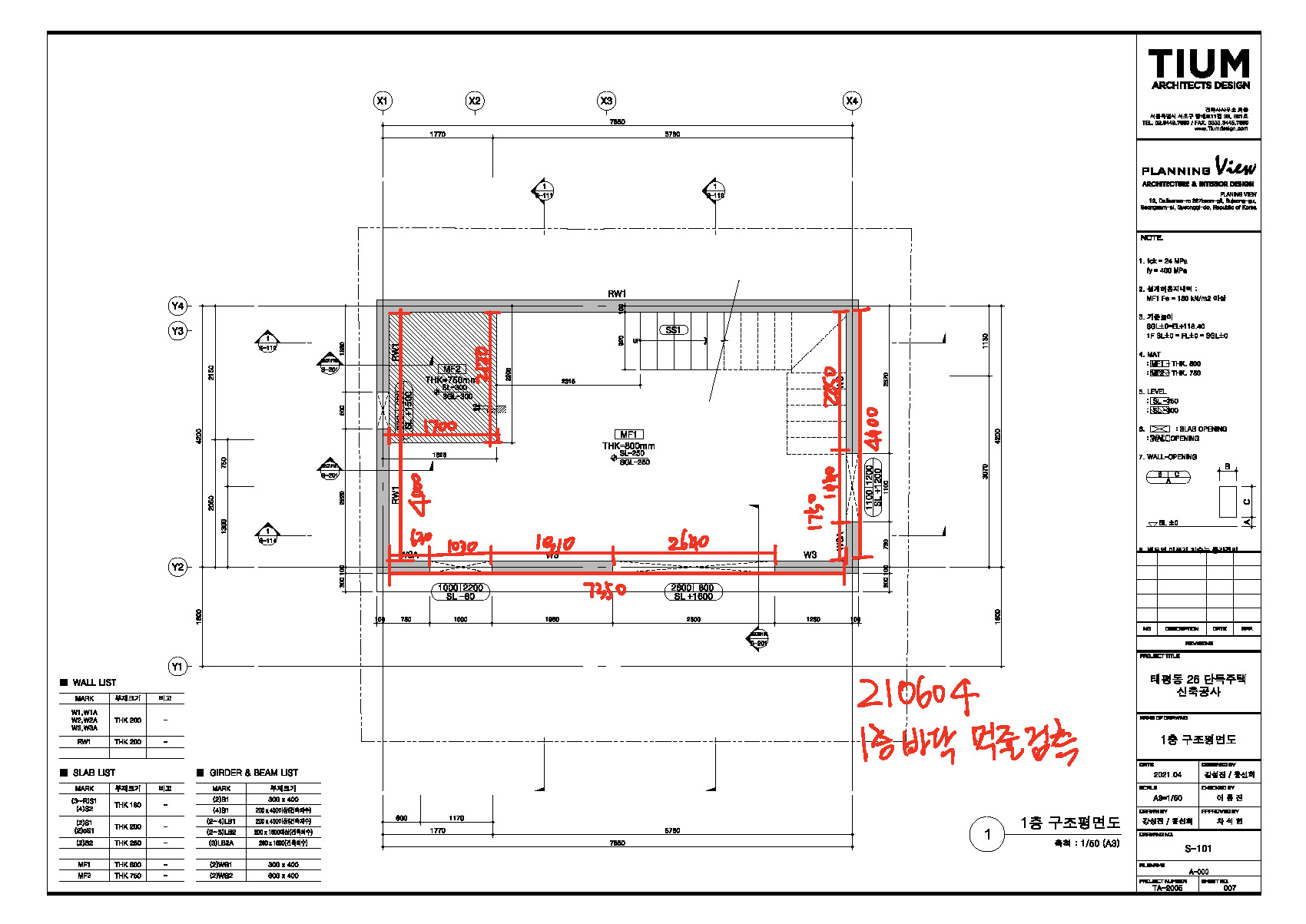
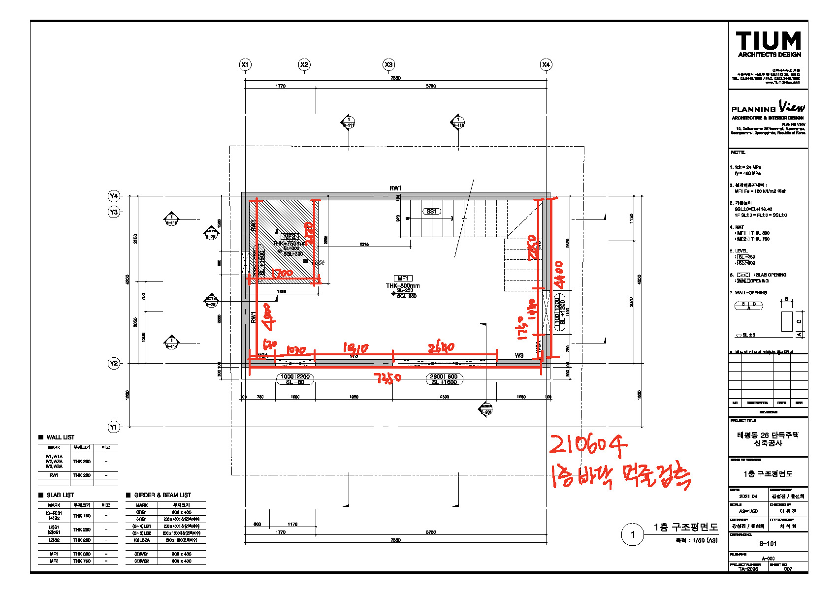
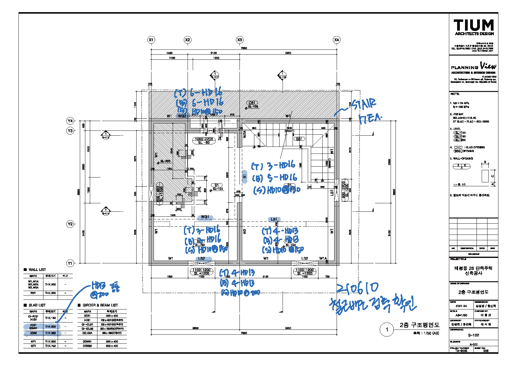
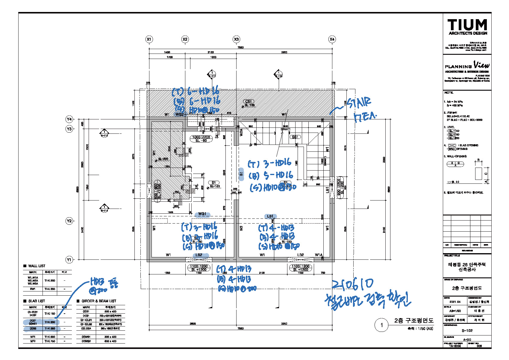
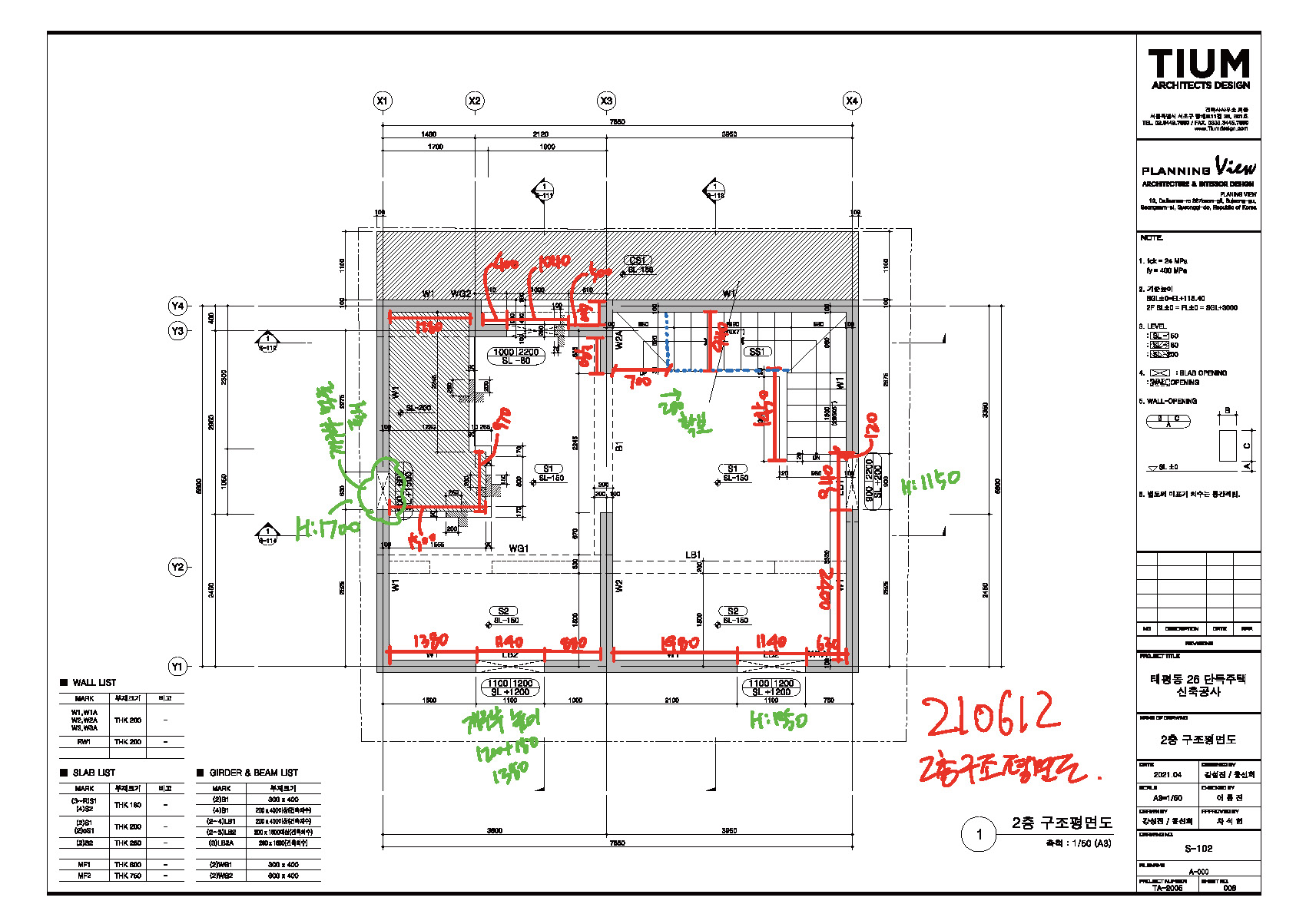
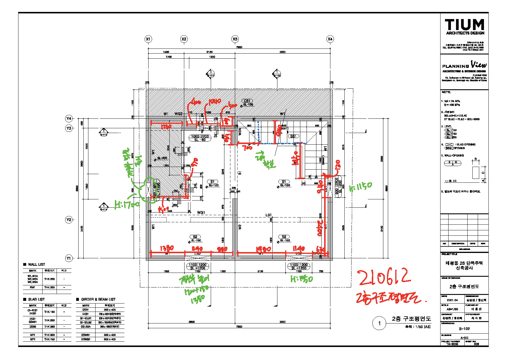
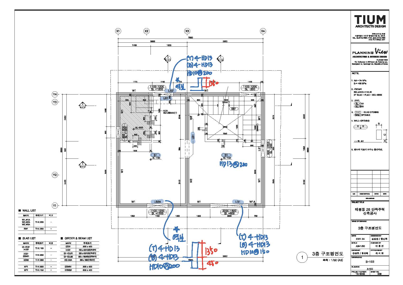
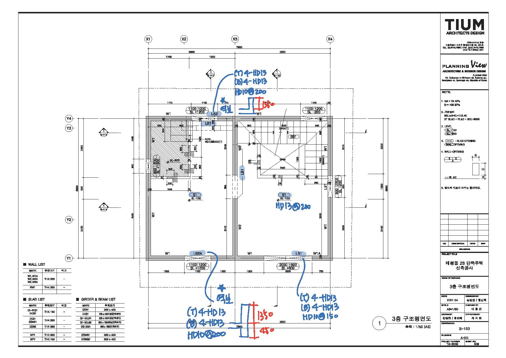
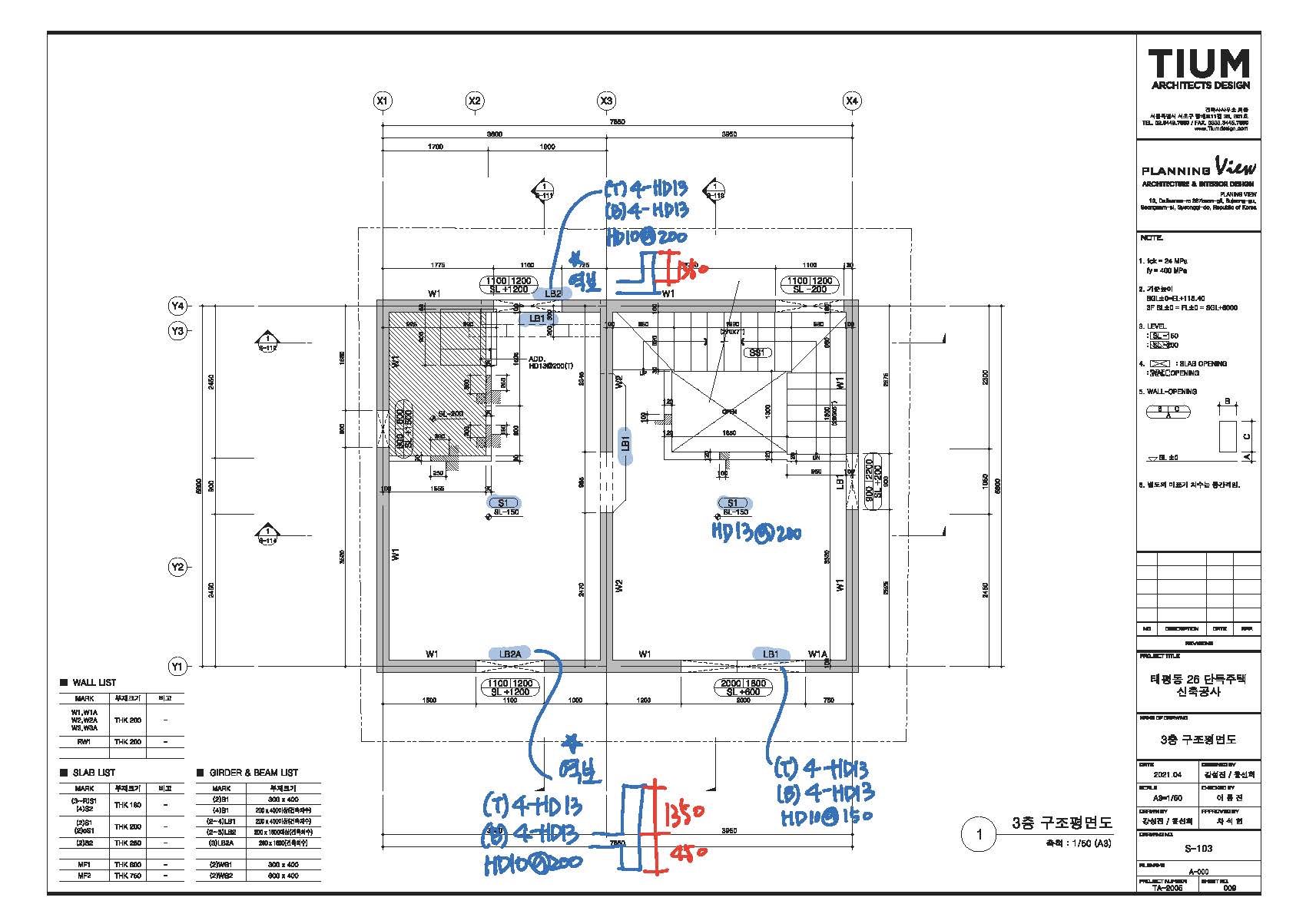
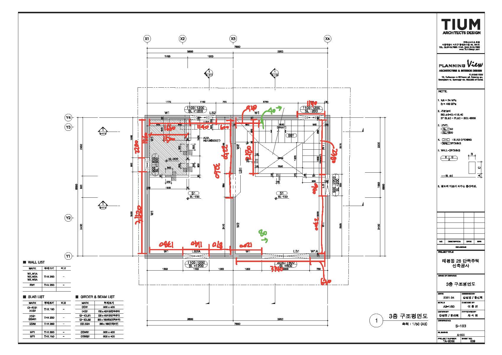
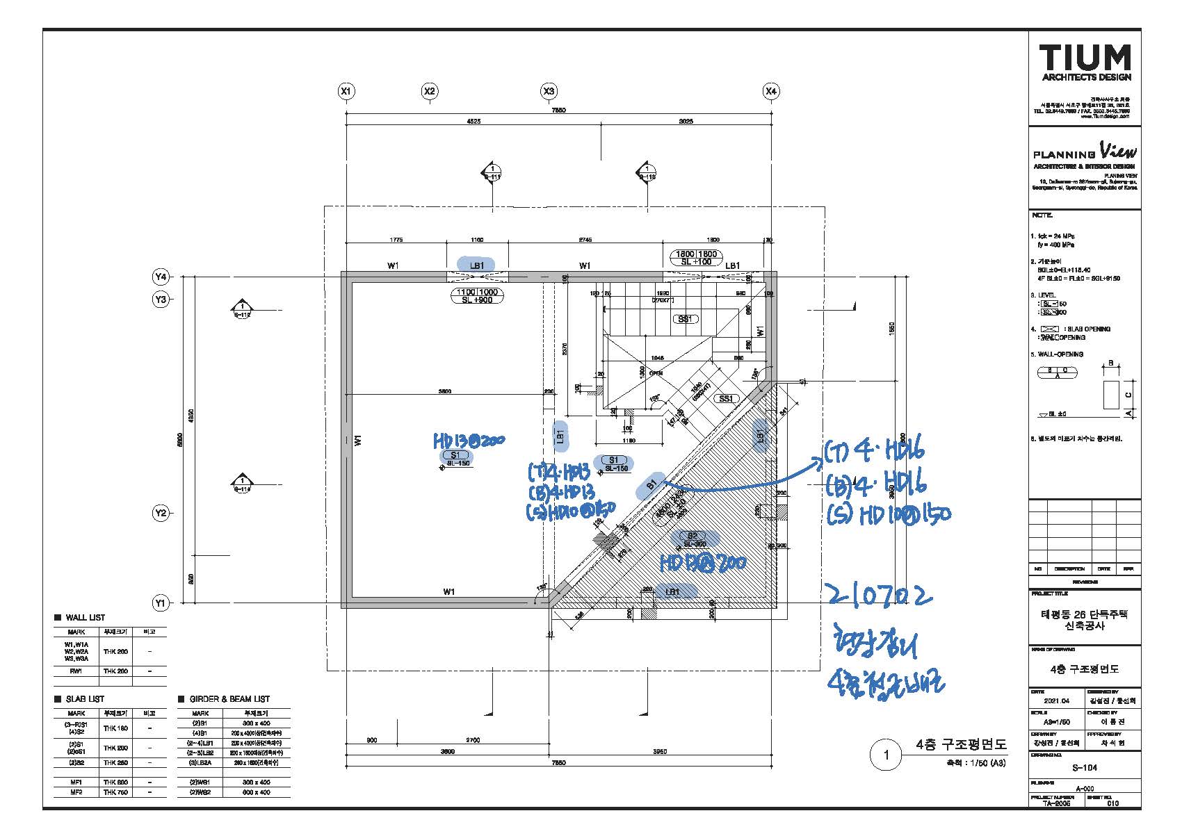
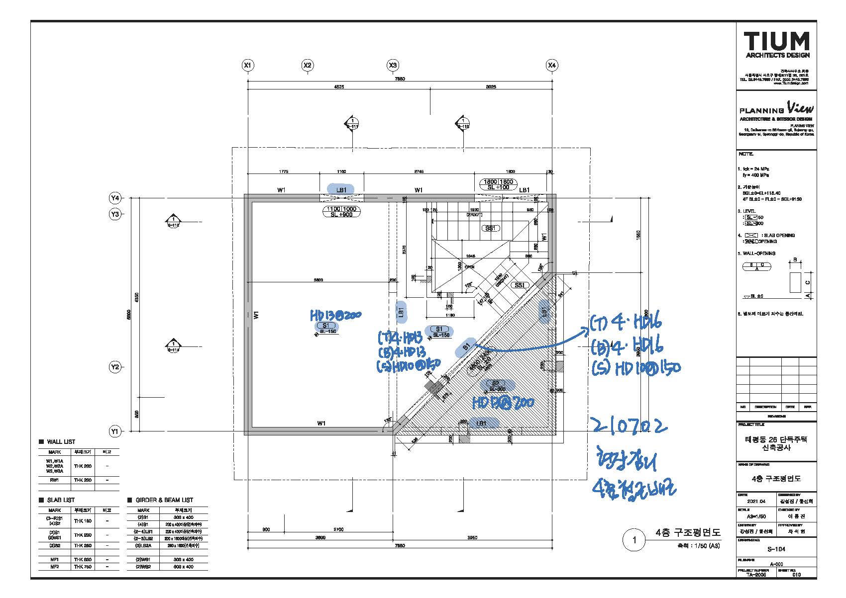
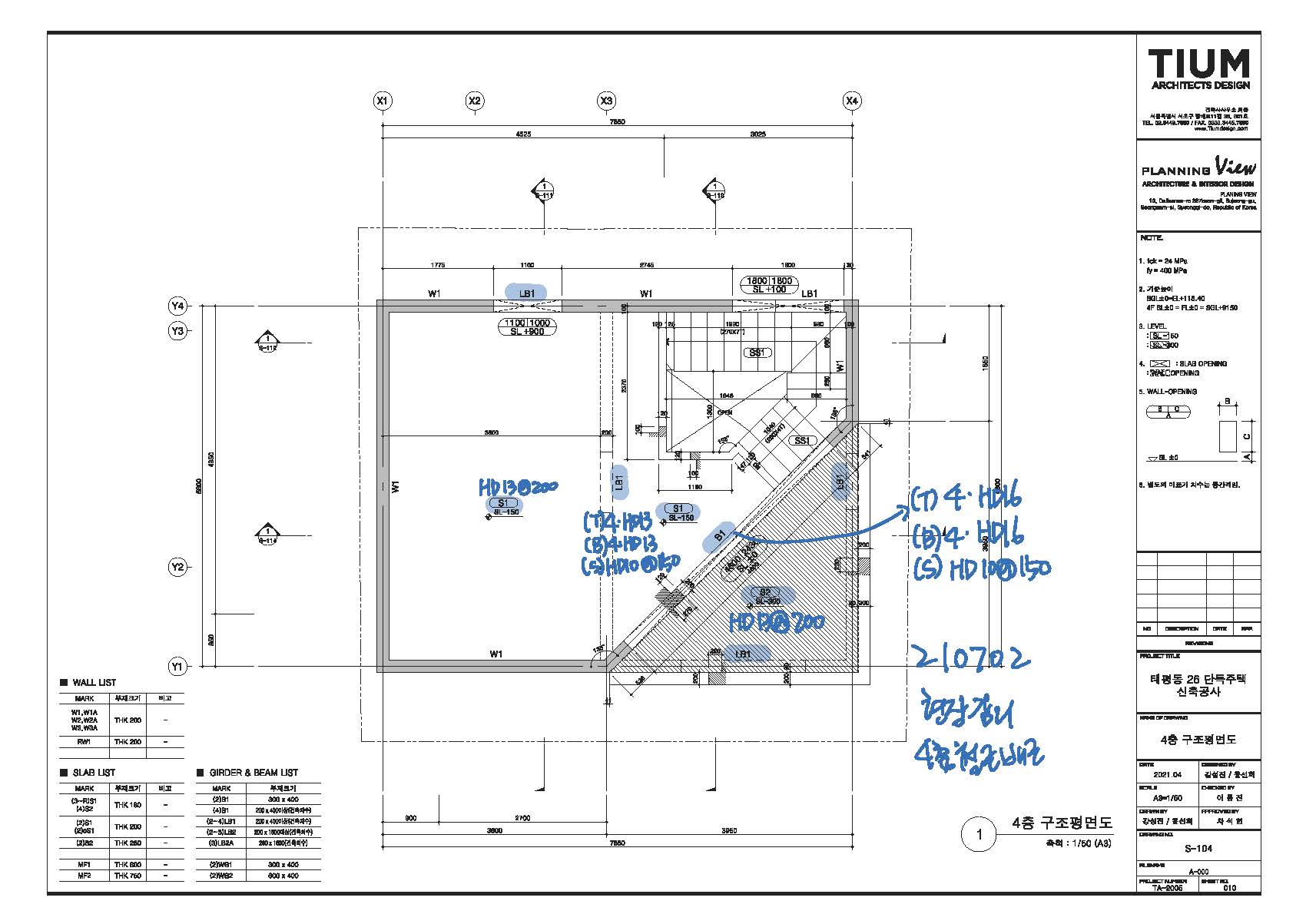
오늘은 그동안 현장에서 진행된 골조공사(철근콘크리트조) 과정과 주요 시점마다 검측한 감리 내용을 공유합니다.
이번 프로젝트는 허가권자 지정 감리 대상이 아니라서, 설계의도 구현 업무를 제외하고, 비상주 감리를 진행하였습니다. (설계자가 감리를 하지 못하는 경우, 시공과정에서 설계자가 배제되지 않도록 설계의도 구현 업무를 계약하도록 되어 있습니다.)

















<하절기 철근콘크리트 공사>
동절기 공사를 가급적 피해야 하는 습식공사의 단점은 대부분 알고 계실 겁니다. 그럼 하절기 공사는 더 좋을까요?
머든 적절한 것이 좋듯이, 너무나 높은 기온에서 콘크리트 타설은 단위수량 증가로 인한 내구성 및 강도 저하 문제가 발생합니다. 게다가 급격한 수화반응으로 응결시간이 단축되어서 발생하는 콜드조인이 더 큰 문제점을 발생시킵니다.
그러기 때문에 현장에서 이러한 상황이 벌이지 않도록 사전에 조치하고 관리감독해야 합니다.
가급적 타설시점을 정오와 같이 기온이 가장 높은 시간을 피합니다.
물과 골재의 온도를 낮추도록 합니다. 얼음을 이용하기도 합니다. 또는 지연제를 혼합합니다.
타설은 1.5시간 내로 끝내고, 덮개 또는양생포를 덮어서 습윤양생을 유도합니다.








| [2022] 정미소 (0) | 2024.03.11 |
|---|---|
| [2022] 림 (0) | 2024.01.08 |
| [2021] 레이어드 (0) | 2024.01.08 |
| [2021] 모슬포: 카렌시아 (2) | 2024.01.08 |
| [2021] 자곡까사 (0) | 2024.01.08 |